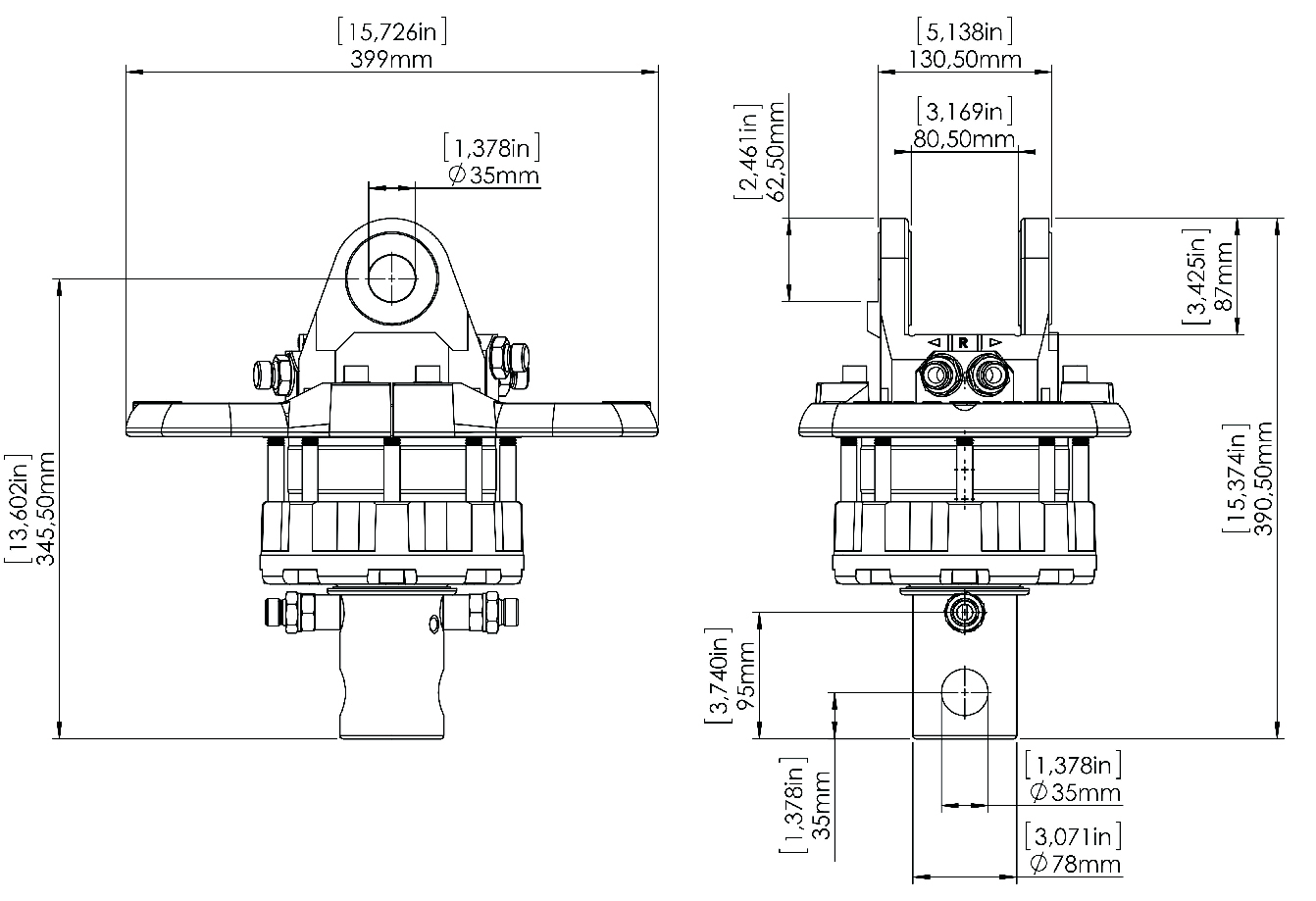
Описание CR 600-W35A35
Ротатор гидравлический Finn-Rotor CR 600-W35A35 – модель гидравлического ротатора, которая широко применяется для бурения скважин, перегрузки леса и металла. Механизм устанавливается на манипуляторы, лесные погрузчики, эвакуаторы, КМУ. Гидроротатор марки CR 600 WA совместим с оборудованием следующих брендов: «Атлант», Loglift, Kesla, Epsilon, Fiskars, Palfinger, Hiab, «Соломбалец», «Майман». Это функциональность, практичность, износостойкость.
Является аналогом ротаторов Indexator GV6-78 и Baltrotors GR60/78DB
