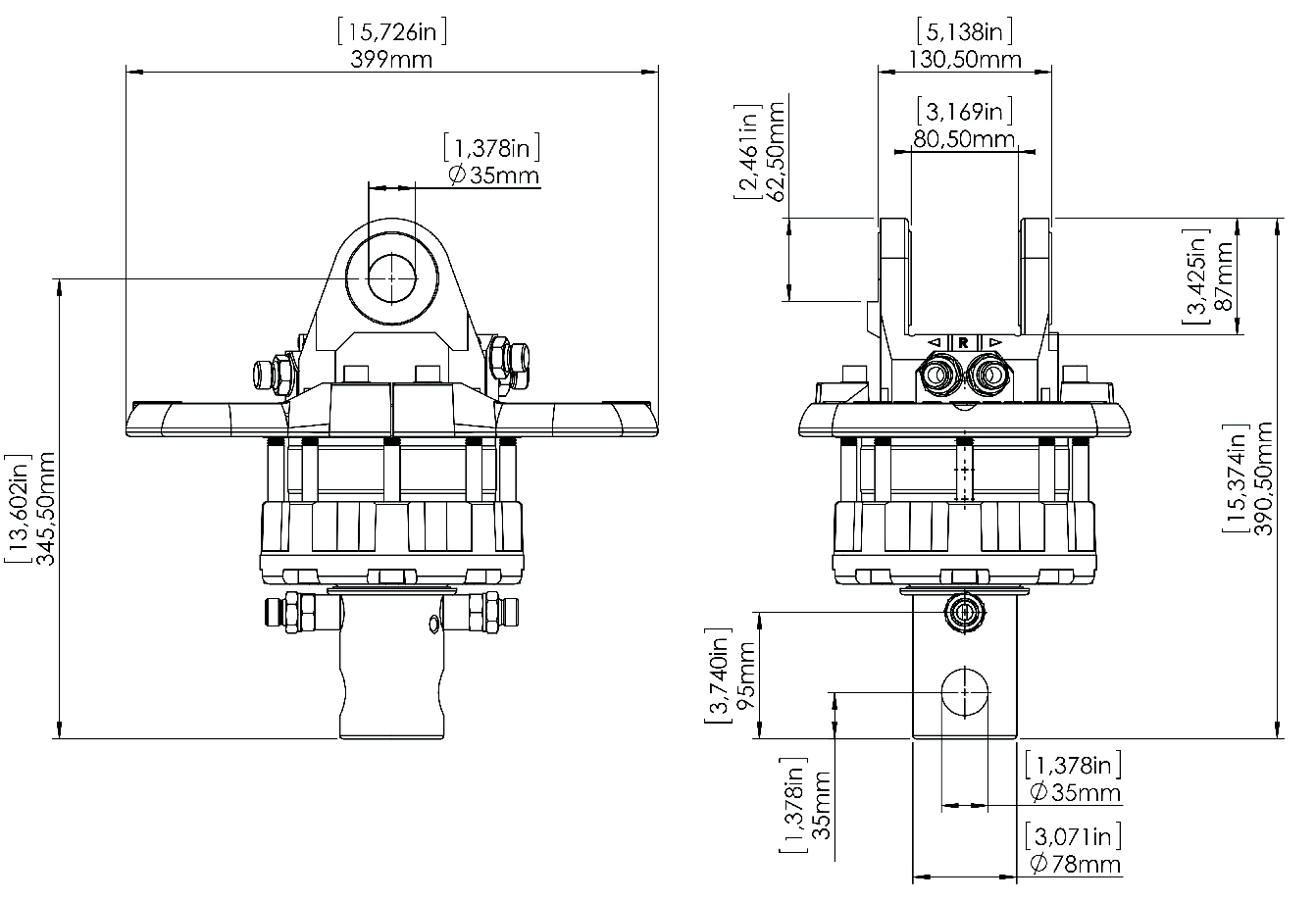
Описание CR 600-X35A35
Ротатор гидравлический Finn-Rotor CR 600-X35A35 отличается высокой грузоподъемностью, выдерживает интенсивную эксплуатационную нагрузку. Это оперативное выполнение бурильных работ, перегрузки леса и шихты. Механизм устанавливается на лесные погрузчики, манипуляторы, КМУ, эвакуаторы. Ротатор CR 600 XA ориентирован на гидроманипуляторы таких марок, как: «Атлант», Loglift, Kesla, Epsilon, Fiskars, Palfinger, Hiab, «Соломбалец», «Майман».
Является аналогом ротатора Baltrotors GR60/78-2DB
