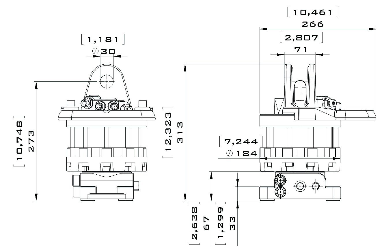
Описание CR 500-W30F173
Ротатор Finn-Rotor CR 500-W30F173 – это компактное устройство для вращения и управления подвесными механизмами. Применяется для монтажа на крано-манипуляционные установки, специальное оборудование для перегрузки металла или сыпучих материалов. Гидровращатель устанавливают на гидравлические манипуляторы таких марок, как: «Велмаш», «Синегорец», «Palfinger», «Hiab», «Kesla», «Foresteri», «Fiskars», «Loglift», «Fiskars», Соломбалец, Атлант, Майман, Лесхозмаш, а также лесовозы и ломовозы.
Является аналогом ротаторов: Indexator GV4FI и Baltrotors GR463
